INTERBLOC GEOMETRY AND PHYSICAL PROPERTIES
INFORMATION ON THE GEOMETRY OF INTERBLOC BLOCKS AND THE PHYSICAL PROPERTIES OF THE BLOCKS
Interbloc is a proprietary design from Envirocon. The blocks incorporate a unique "double cross" interlocking design that provides a shear key in both horizontal directions. This results in the blocks self-aligning during installation, which speeds up the build of an Interbloc structure and delivers a much stronger interlocking bond. Interbloc users commonly refer to the system as the best interlocking block system due to these features.
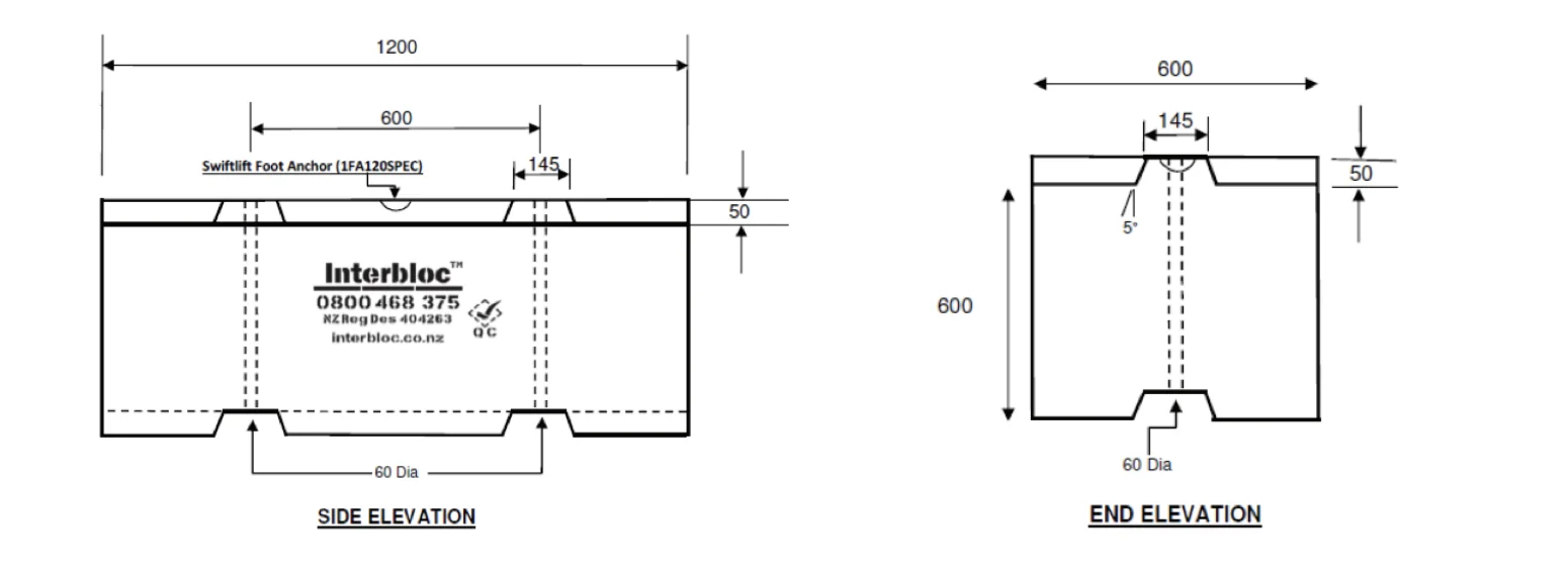
BLOCK GEOMETRY
The following illustrations outline the physical dimensions of the 1800, 1200, and 600 Interbloc standard blocks. All measurements are in mm.


LIFTING ANCHOR
Interbloc utilises the Reid anchor systems. This consists of one or two 1.5t foot anchors cast into the top of the block. The foot anchor is then engaged using a Reid lifting klaw available to purchase from Envirocon. All lifting anchors have a factor of safety greater than five to comply with Work Safe Australia guidance on multiple lift precast concrete products.
CONCRETE TYPE
Interbloc is primarily manufactured using high quality, certified, excess concrete. 100% of blocks are 20MPA or greater, and 50% of blocks are 30MPA or greater. Concrete is tracked from source and each block carries a unique barcode for tracking. You can find out more information about this in our articles on excess concrete, and quality.
Where a specific mix is required, Interbloc is manufactured using ordered concrete.